Липовые диссертации.

Обсуждение сферы образования нашего города.
Поступление в ВУЗы, платное образование, курсы.

Модератор: Модераторы FORUM.RZN.info

Аватара пользователя
Andrey
Пользователь RZN.info
Сообщения: 674
Зарегистрирован: 05 дек 2008, 11:43

Re: Липовые диссертации.

Сообщение Andrey » 15 окт 2009, 14:52

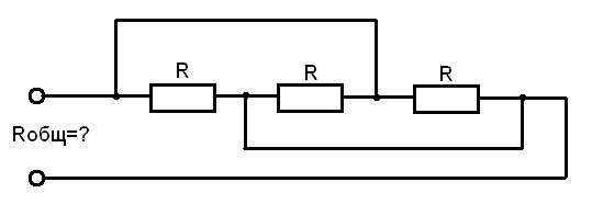
kashey, посчитайте пожалуйста общее сопротивление такой электрической схемы и напишите здесь результат
Вложения
1.GIF
1.GIF (2.65 КБ) 9720 просмотров
А фамилия моя слишком известная, чтобы я ее называл!

kashey
Пользователь RZN.info
Сообщения: 1176
Зарегистрирован: 03 ноя 2008, 02:25

Re: Липовые диссертации.

Сообщение kashey » 15 окт 2009, 19:16

Сопротивление проводов учитывать?
Если не учитывать, то скорее всего R/3.

Аватара пользователя
Andrey
Пользователь RZN.info
Сообщения: 674
Зарегистрирован: 05 дек 2008, 11:43

Re: Липовые диссертации.

Сообщение Andrey » 15 окт 2009, 19:30

kashey, скорее всего или точно? Сопротивление проводов не учитывать
А фамилия моя слишком известная, чтобы я ее называл!

Трофимыч
Знаток RZN.info
Сообщения: 6403
Зарегистрирован: 19 июн 2006, 00:56
Откуда: из Лесу

Re: Липовые диссертации.

Сообщение Трофимыч » 15 окт 2009, 21:53

Нечестно задавать строителю вопросы про электричество.

DS
Модератор форума RZN.info
Сообщения: 19219
Зарегистрирован: 09 окт 2005, 16:57
Откуда: Отводное

Re: Липовые диссертации.

Сообщение DS » 15 окт 2009, 22:00

Так он угадал, как ни странно.

Аватара пользователя
Andrey
Пользователь RZN.info
Сообщения: 674
Зарегистрирован: 05 дек 2008, 11:43

Re: Липовые диссертации.

Сообщение Andrey » 16 окт 2009, 08:55

DS, вот и я удивляюсь)))

P.S. Проверочный вопрос был вызван тем, что строитель указал на липовую диссертацию
kashey писал(а):Появился ещё один кандидат на липовую диссертацию - смотреть здесь

которая, вообще говоря, со строительством не связана никак, а как-то больше к электричеству.
А фамилия моя слишком известная, чтобы я ее называл!

kashey
Пользователь RZN.info
Сообщения: 1176
Зарегистрирован: 03 ноя 2008, 02:25

Re: Липовые диссертации.

Сообщение kashey » 16 окт 2009, 15:58

kashey писал(а):P.S. Я понимаю - Шпак, во видимому, в армии не служил. На самом же деле победа в войне во многом зависит от вооружения, т.е. от состояния науки.

Ошибочка. Если не путаю, Шпак зафиксирован в одном из документальных фильмов про достижения советского оружия. Видимо двойные стандарты.

kashey
Пользователь RZN.info
Сообщения: 1176
Зарегистрирован: 03 ноя 2008, 02:25

Re: Липовые диссертации.

Сообщение kashey » 17 ноя 2009, 11:57

Теперь также на форуме помещаю ссылку на файл, содержащий все страницы (сейчас есть в комментариях к работе Дубкова).

Водитель

Re: Липовые диссертации.

Сообщение Водитель » 20 ноя 2009, 00:33

kashey писал(а):сейчас есть в комментариях к работе Дубкова

Чего Вы на Мишу наехали? Он - нормальный преподаватель, нормальный человек, хотя и экзамен на нужную мне оценку я ему только со второго раза сдал. А у Вас вообще какое образование?

kashey
Пользователь RZN.info
Сообщения: 1176
Зарегистрирован: 03 ноя 2008, 02:25

Re: Липовые диссертации.

Сообщение kashey » 20 ноя 2009, 12:13

Водитель писал(а):
kashey писал(а):сейчас есть в комментариях к работе Дубкова

Чего Вы на Мишу наехали? Он - нормальный преподаватель, нормальный человек, хотя и экзамен на нужную мне оценку я ему только со второго раза сдал. А у Вас вообще какое образование?

Почему я на него наехал? - у него работа хорошая. (даже очень хорошая)
Напротив гласность тем и хороша, что каждый получает (теоретически) по заслуженному и в увеличенном размере.

Так что, если работа хорошая, то это должно привлечь других к работе.
если работа плохая, то соответственно человек должен уйти с работы.

P.S. Скажу больше. В библиотеке, по сравнению с другими диссертациями, его работа пользуется популярностью.

Аватара пользователя
pas2005
Знаток RZN.info
Сообщения: 5128
Зарегистрирован: 23 июл 2008, 08:29
Контактная информация:

Re: Липовые диссертации.

Сообщение pas2005 » 20 ноя 2009, 13:42

Водитель писал(а):А у Вас вообще какое образование?

Это тайна за семью печатями которую мы силимся раскрыть уже полгода, а может и больше.
Ненавижу Приору.
Намерен жить вечно, пока все идет нормально.
Я слишком много пишу что бы все запомнить.

Водитель

Re: Липовые диссертации.

Сообщение Водитель » 20 ноя 2009, 20:28

kashey
Я так понял, что образования у Вас высшего нет?

kashey
Пользователь RZN.info
Сообщения: 1176
Зарегистрирован: 03 ноя 2008, 02:25

Re: Липовые диссертации.

Сообщение kashey » 21 ноя 2009, 00:06

Водитель писал(а):kashey
Я так понял, что образования у Вас высшего нет?

Зачем мне тогда интересоваться диссертациями?
http://rznusl.ucoz.ru/forum/4
http://rznusl.ucoz.ru/forum/28

Водитель

Re: Липовые диссертации.

Сообщение Водитель » 23 ноя 2009, 19:13

kashey писал(а):
Водитель писал(а):kashey
Я так понял, что образования у Вас высшего нет?

Зачем мне тогда интересоваться диссертациями?
http://rznusl.ucoz.ru/forum/4
http://rznusl.ucoz.ru/forum/28

Слушайте, как же Вы можете так по-дилетантски оценивать чужие диссертации, не имея высшего образования? Или Вы что-то ещё скрываете?

nikols
Гуру RZN.info
Сообщения: 12989
Зарегистрирован: 11 сен 2008, 15:34

Re: Липовые диссертации.

Сообщение nikols » 23 ноя 2009, 20:50

kashey
Запомните :" Ученье -свет,ученых- тьма, инноваций- ни х...я"

kashey
Пользователь RZN.info
Сообщения: 1176
Зарегистрирован: 03 ноя 2008, 02:25

Re: Липовые диссертации.

Сообщение kashey » 24 ноя 2009, 00:03

nikols писал(а):kashey
Запомните :" Ученье -свет,ученых- тьма, инноваций- ни х...я"

Про инновации мне трудно судить. Я ограничиваюсь проверкой качества работ.

nikols
Гуру RZN.info
Сообщения: 12989
Зарегистрирован: 11 сен 2008, 15:34

Re: Липовые диссертации.

Сообщение nikols » 24 ноя 2009, 10:33

kashey
Если в диссертации нет признака инновации,такая диссертация никому не нужна. Видел много обзорных диссертаций, там сплошной плагиат и высасывание обобщения уже кем-то сделанного. Ссылки на литературу занимают более 20 страниц.
Качество лаптя можно оценить, но качество работы- это и есть качество лаптя.Качество работы закладывается в качество произведенного продукта. По этой причине (качество работы) мы не конкурентоспособны на мировом рынке, кроме сырья. Нет качества работы и результатов труда. В России ученых со степенями сравнимо с развитыми странами, но отстали во всех отраслях. Не я придумал афоризм.
Но он актуален ныне. в 60-х годах в СССР была построена сотовая связь для высшего руководства и военных. приемо-передающую аппаратуру возили на машине. Непрерывная разливка стали была изобретена в СССР, но только 3-5% ее используют у нас. За рубежом до 50%.

kashey
Пользователь RZN.info
Сообщения: 1176
Зарегистрирован: 03 ноя 2008, 02:25

Re: Липовые диссертации.

Сообщение kashey » 24 ноя 2009, 15:50

nikols писал(а):kashey
Если в диссертации нет признака инновации,такая диссертация никому не нужна. Видел много обзорных диссертаций, там сплошной плагиат и высасывание обобщения уже кем-то сделанного. Ссылки на литературу занимают более 20 страниц.
Качество лаптя можно оценить, но качество работы- это и есть качество лаптя.Качество работы закладывается в качество произведенного продукта. По этой причине (качество работы) мы не конкурентоспособны на мировом рынке, кроме сырья. Нет качества работы и результатов труда. В России ученых со степенями сравнимо с развитыми странами, но отстали во всех отраслях. Не я придумал афоризм.
Но он актуален ныне. в 60-х годах в СССР была построена сотовая связь для высшего руководства и военных. приемо-передающую аппаратуру возили на машине. Непрерывная разливка стали была изобретена в СССР, но только 3-5% ее используют у нас. За рубежом до 50%.

1. По диссертации я могу понять насколько нова тема для автора. Однако я не могу судить об инновации на фоне всего человечества, т.к. об этом может судить лишь "узкий специалист", т.е. очень хорошо знакомый с поставленной проблемой.
2. У меня качество диссертации проверяется следующим образом:
- по содержанию, иногда можно понять понимает ли автор то, что пишет,
- правильно ли автор ставит эксперимент,
- имеет ли автор высшее образование (т.е. на сколько хорошо автор владеет высшей математикой)
- понимает ли автор физику явления.

К стати Тинина понятия не имеет как ставить эксперимент - в диссертации там вообще как такового его нет.

Мне прислали письмо с сылкой на документ, который регулирует вопрос снятия диссертации (звания кандидата наук, доктора наук) - я этим не занимаюсь. Меня интересует просто общий уровень состояния науки в Рязани.
Пока хорошие диссертации у Дубкова и Кузнецова, но я и проверил только 4 штуки.

nikols
Гуру RZN.info
Сообщения: 12989
Зарегистрирован: 11 сен 2008, 15:34

Re: Липовые диссертации.

Сообщение nikols » 24 ноя 2009, 18:15

kashey
Вот ,вот у нас уровень науки оценивают по кол-ву кандидатов и докторов всяких наук. Весь мир оценивает науку по вкладу в экономику.
Фирма Оливетти и ее научный центр доводит до серии только 2-3% разработок,но это передовая в Европе фирма. Там не считают кол-во профессоров и докторов. Там считают прибыль фирмы от внедрения разработок. СССР и России не дают такого права, сами научные кадры. Лучшие умы бегут за рубеж. Не из-за денег, а по причине занятия полезным для общества трудом. Гранты надо отрабатывать не званием, а эффективностью труда.

kashey
Пользователь RZN.info
Сообщения: 1176
Зарегистрирован: 03 ноя 2008, 02:25

Re: Липовые диссертации.

Сообщение kashey » 02 дек 2009, 08:49

Закончил проверку диссертации Тининой.
Выводы можно посмотреть здесь.

Также там можно скачать диссертацию целиком.


Вернуться в «Образование в Рязани»

Кто сейчас на конференции

Сейчас этот форум просматривают: нет зарегистрированных пользователей и 1 гость